D943H電動金屬硬密封蝶閥
產品概況
產品型號:D943H
公稱通徑:DN50~2000mm
公稱壓力:PN0.6~2.5MPa
驅動方式:蝸輪傳動、電動、氣動、液動
制造標準:JB/T 8527-97
法蘭標準:GB9113-2000
結構長度標準:GB12221-89
檢驗標準:GB/T 13927-92
D943H電動三偏心硬密封蝶閥主要技術參數
|
公稱通徑DN(mm) |
50~2000 |
|||
|
公稱壓力PN(MPa) |
0.6 |
1.0 |
1.6 |
2.5 |
|
密封試驗(MPa) |
0.66 |
1.1 |
1.76 |
2.75 |
|
強度試驗(MPa) |
0.9 |
1.5 |
2.4 |
3.75 |
|
適用溫度 |
碳鋼:-29℃~425℃ 不銹鋼:-40℃~650℃ |
|||
|
適用介質 |
水、空氣、天然氣、油品及弱腐蝕性流體 |
|||
|
泄漏率 |
符合GB/T13927-92標準 |
|||
|
驅動方式 |
蝸輪傳動、電動、氣動、液動 |
|||
D943H電動三偏心硬密封蝶閥主要零部件材料
|
零件名稱 |
材料 |
|
閥體 |
WCB、合金鋼、不銹鋼、QT450-10 |
|
蝶板 |
WCB、合金鋼、不銹鋼、QT450-10 |
|
閥軸 |
2Cr13不銹鋼、合金鋼 |
|
密封圈 |
不銹鋼圈 |
|
填料 |
柔性石墨 |
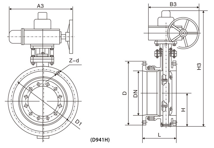
D943H電動三偏心硬密封蝶閥連接尺寸

|
公稱通徑(DN) |
主要尺寸 |
法蘭尺寸和螺栓規格 |
||||||||||
|
1.0MPa |
1.6MPa |
2.5MPa |
||||||||||
|
L |
H1 |
H |
D |
D1 |
n-Фd |
D |
D1 |
n-Фd |
D |
D1 |
n-Фd |
|
|
50 |
108 |
530 |
112 |
165 |
125 |
4-18 |
165 |
125 |
4-18 |
165 |
125 |
4-18 |
|
65 |
112 |
530 |
115 |
185 |
145 |
4-18 |
185 |
145 |
4-18 |
185 |
145 |
8-18 |
|
80 |
114 |
565 |
120 |
200 |
160 |
4-18 |
200 |
160 |
8-18 |
200 |
160 |
8-18 |
|
100 |
127 |
600 |
138 |
220 |
180 |
8-18 |
220 |
180 |
8-18 |
235 |
190 |
8-22 |
|
125 |
140 |
640 |
164 |
250 |
210 |
8-18 |
250 |
210 |
8-18 |
270 |
220 |
8-26 |
|
150 |
140 |
705 |
175 |
285 |
240 |
8-22 |
285 |
240 |
8-22 |
300 |
250 |
8-26 |
|
200 |
152 |
775 |
200 |
340 |
295 |
8-22 |
340 |
295 |
12-22 |
360 |
310 |
12-26 |
|
250 |
165 |
945 |
243 |
395 |
350 |
12-22 |
405 |
355 |
12-26 |
425 |
370 |
12-30 |
|
300 |
178 |
1070 |
250 |
445 |
400 |
12-22 |
460 |
410 |
12-26 |
485 |
430 |
16-30 |
|
350 |
190 |
1140 |
280 |
505 |
460 |
16-22 |
520 |
470 |
12-26 |
555 |
490 |
16-33 |
|
400 |
216 |
1210 |
305 |
565 |
515 |
16-26 |
580 |
525 |
16-26 |
620 |
550 |
16-36 |
|
450 |
222 |
1335 |
350 |
615 |
565 |
20-26 |
640 |
585 |
16-30 |
670 |
600 |
20-36 |
|
500 |
229 |
1415 |
380 |
670 |
620 |
20-26 |
715 |
650 |
20-30 |
730 |
660 |
20-36 |
|
600 |
267 |
1605 |
445 |
780 |
725 |
20-30 |
840 |
770 |
20-33 |
845 |
770 |
20-39 |
|
700 |
292 |
1844 |
480 |
895 |
840 |
24-30 |
910 |
840 |
24-36 |
960 |
875 |
24-42 |
|
800 |
318 |
2040 |
530 |
1015 |
950 |
24-33 |
1025 |
950 |
24-39 |
1085 |
990 |
24-48 |
|
900 |
330 |
2255 |
580 |
1115 |
1050 |
28-33 |
1125 |
1050 |
28-39 |
1185 |
1090 |
28-48 |
|
1000 |
410 |
2380 |
650 |
1230 |
1160 |
28-36 |
1255 |
1170 |
28-42 |
1320 |
1210 |
28-56 |
|
1200 |
470 |
2640 |
760 |
1455 |
1380 |
32-39 |
1485 |
1390 |
32-48 |
1530 |
1420 |
32-56 |
|
1400 |
530 |
2886 |
850 |
1675 |
1590 |
36-42 |
1685 |
1590 |
36-48 |
1755 |
1640 |
36-62 |
|
1600 |
600 |
3156 |
1030 |
1915 |
1820 |
40-48 |
1930 |
1820 |
40-56 |
1975 |
1860 |
40-62 |
|
1800 |
670 |
3421 |
1230 |
2115 |
2020 |
44-48 |
2130 |
2020 |
44-56 |
2195 |
2070 |
44-70 |
|
2000 |
760 |
3685 |
1350 |
2325 |
2230 |
48-48 |
2345 |
2230 |
48-62 |
2425 |
2300 |
48-70 |
溫馨提示:
本文中所有文字、數據、圖片均只適用于參考。需要查看更多的D943H電動金屬硬密封蝶閥性能參數、結構尺寸參數、價格等詳情,或要求高質量印刷樣本,請聯系我們。